车门内饰安装主要有车门内把手总成、车门内饰板、车窗升降器开关总成及扶手座上板的安装等。
1)安装前门内把手分总成
将前门锁业遥撵拉索和前门内侧锁止拉枣连接到前门内把手分总成上。接合2个卡爪,并安装藏九内把手分总成,如下图所示。

2)安装前门饰板分总成
1.安装防水密封膜
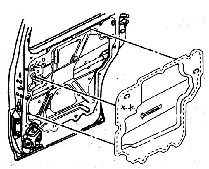
安装防水密封膜时,接磕奎希有黏结剂的部位,使粘结剂正确就位,如下图所示。

2.安装前门饰板
用前门玻璃内密封条上的5个卡爪接各前门装饰板,接合9个卡扣,将前门装饰板安装到前门板上。安装两个螺钉,拧紧扭矩为4.0N?m,之后接合卡爪,连接车门扶手盖,如图下图所示。

3)安装车窗升降器开关总成
1.安装驾驶员侧电动车窗升降器开关总成
用3个螺钉安装电动车窗升降器主开关总成,拧紧扭矩为4.0N?m,如下图所示。

2.安装前排乘客侧电动车窗升降器开关总成
接合2个卡爪,安装电动车窗升降器开关总成,如下图所示。

4)安装前扶手座上板
接合2个卡子和6个卡爪,安装前扶手座上板,如下图所示。

5)安装前门内把手框
接合3个卡爪,安装前门内把手框,如下图所示。


